Home Back Video download Questions download Ppt download IWB download pdf download

Non-Inverting Amplifier

Introduction

An amplifier is an analogue circuit. This page is about a voltage amplifier based on an Op-Amp. The output voltage (Vout) of the circuit depends on the input voltage (Vin) and the Gain (Av) of the circuit.

It is a good idea to read the amplifier basics page first.

For all the circuits shown below, the amplifier is assumed to have a positive and a negative power supply, usually ±15 V, so that the output voltage can be both positive and negative.

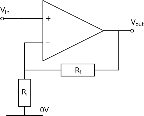
Basic Non-Inverting Amplifier Circuit

Non-Inverting Amplifier Circuit

The Op-Amp needs to have ± power supplies (assumed to be ±15 V)

The input, Vin, is connected directly to the non-inverting input

The circuit uses a feedback resistor (Rf) and an input resistor (Ri) to feedback a fraction of the output voltage to the inverting input. Rf and Ri form a potential divider

Ri is not the actual input resistor but the same naming convention is used to be consistent with the inverting amplifier

Voltage gain (Av) is determined by Ri and Rf


The voltage gain is given by:

Av = 1 + Rf / Ri

Note: Ri and Rf should both be > 1 kΩ and < 10 MΩ

Note: The voltage gain of the Non-Inverting amplifier cannot be less than unity (1) and so this amplifier cannot be used to attenuate signals

Function of the Non-Inverting Amplifier

The output voltage is directly proportional to the input voltage (as long as the output is not saturated) such that:

Vout = Av × Vin

If the input voltage is positive, the output voltage is also positive
If the input voltage is negative, the output voltage is also negative


Transfer characteristics The graph shows the transfer characteristics (Input Voltage and Output Voltage) for a Non-Inverting amplifier with a voltage Gain of +2

When Vin = +5 V then Vout = +10 V and when Vin = −5 V then Vout = −10 V

The Output Voltage is limited to ±13 V by the power supply of the amplifier. Therefore, when Vin > +6.5 V then Vout saturates at +13 V and when Vin < −6.5 V then Vout saturates at −13 V (shown by the horizontal lines on the graph)



AC gain The graph shows the relationship between the Input Voltage and Output Voltage of a Non-Inverting amplifier with a voltage Gain of +2 when the input is an A.C. voltage

At all times Vout = +2 × Vin


Example Circuits

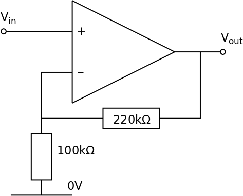
Example 1The voltage gain is:

Av = 1 + (220 ×103 / 100 ×103) = +3.2

If Vin = +1.0 V then Vout = +3.2 V

The Input Voltage has been amplified (made bigger)


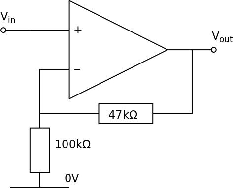
Example 2The voltage gain is:

Av = 1 + (47 ×103 / 100 ×103) = +1.47

If Vin = +1.0 V then Vout = +1.47 V

The Input Voltage has been amplified even though Rf is smaller than Ri


Example 3The voltage gain is:

Av = 1 + (100 ×103 / 100 ×103) = +2.0

If Vin = +1.0 V then Vout = +2.0 V

The Input Voltage has been amplified by a factor of two when Rf = Ri


Example 4The voltage gain is:

Av = 1 + 0 / 100 ×103 = +1.0

This is a unit gain amplifier. The Output Voltage has the same amplitude as the Input Voltage. This amplifier is a buffer as the input takes almost no current from the voltage source but provides a reasonable current to the subsequent circuits


Gain and Bandwidth

The two main parameters of the Inverting Amplifier are the gain and the bandwidth. Increasing the gain reduces the bandwidth and vice versa.

Gain vs BandwidthFor a Non-Inverting amplifier based on a standard Op-Amp the relationship between gain and bandwidth is approximately:

gain × bandwidth = 106

The graph shows that as gain increases, bandwidth decreases. Note that both scales are logarithmic

When the gain is ×1 (blue line) the amplifier works effectively up to frequencies of 1 MHz. If the gain is increased to ×10 (green line) the amplifier only works effectively up to about 100 kHz (still okay for audio) but at a gain of ×1000 (red line) the amplifier only works effectively up to a frequency of 1 kHz before the gains starts to reduce and the Output Voltage starts to decrease


If the gain is +100, the bandwidth is 10 kHz

If a bandwidth of 40 kHz is required, the maximum gain is +25


Better Non-Inverting Amplifier Circuit

When used in reality, amplifiers are often decoupled which means that the input and output are connected through capacitors to stop any spurious D.C. signals compromising the performance of the amplifier. Depending on what the amplifier is attached to, a resistor may also be needed on the output down to 0 V. The input resistance of the Op-Amp is very high, meaning that small currents can become relatively large voltages (V=I×R) at the input increasing the random noise of the amplifier. To avoid this, an input resistor is often connected to ground to lower the effective input resistance of the amplifier.

with capacitorsThe capacitor on the input is usually a non-electrolytic type, nominally 1 µF or less. The capacitor on the output is ideally a non-electrolytic type but sometimes larger value electrolytic capacitors need to be used if the amplifier is providing significant current to the next stage

The addition of capacitors and resistors to the input and output can reduce the bandwidth of the amplifier


How the Non-Inverting Amplifier works (Advanced)

When considering amplifiers made from Op-Amps there are two basic assumptions:


virtual earth


Negative Feedback

Gain Equation

We have

I = Vin / Ri = (Vout − Vin) / Rf

and therefore

Gain = Vout / Vin = 1 + (Rf / Ri)